MC Phono

Vorverstärker und passiver
RIAA-Entzerrer für MC Tonabnehmer
Röhren pro Kanal: D3a, D3a, ECC83,
E88CC
Abmessungen: 39x17x16
Baujahr: 2023
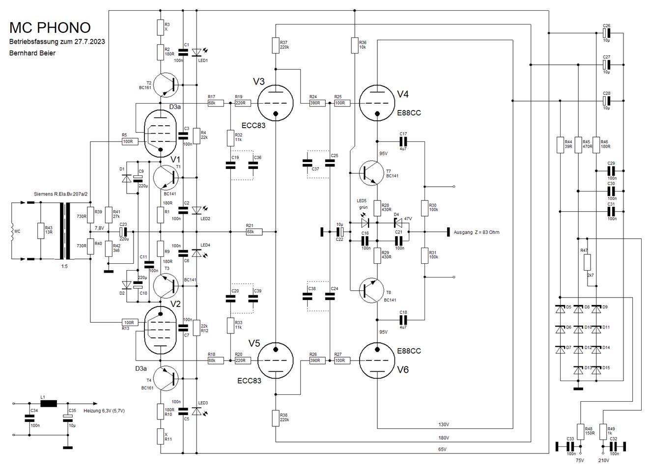
Schaltung
Das Signal des
MC-Tonabnehmers wird über den Eingangsübertrager im Verhältnis 1:5
hochtransformiert und gelangt über die HF-Schutzwiderstände R5 und R13 an die
Steuergitter von V1 und V2. Über den Spannungsteiler R41-R42 wird die
Gittervorspannung für V1 und V2 gebildet. V1 und V2 sind als Trioden
geschaltete Röhren des Typs D3a, die einen niedrigen äquivalenten
Rauschwiderstand aufweisen. T1 und T3 bilden Konstantstromquellen. V1 und V2
arbeiten über das Kopplungsnetzwerk D1-C9-D2-C10 als Differenzverstärker. T2
und T4 bilden die aktiven Arbeitswiderstände von V1 und V2, wodurch deren
dynamischer Verstärkungsfaktor sich dem statischen Wert annähert. Die
Kollektorwiderstände R2 und R10, sowie die Emitterwiderstände R1 und R9 müssen
exakt die Arbeitspunkte der Transistoren aufeinander abstimmen, durch
Parallelwiderstände werden Toleranzen ausgeglichen. Die Spannungsnormale LED1-4
sind selektiert. Über die Filter-Arbeitswiderstände R17 und R18 wird das Signal
auf das erste Entzerrernetzwerk für 318/3180 Mikrosekunden
geführt, um anschließend galvanisch in den zweiten
Differenzverstärker V3-V5 gekoppelt zu werden. Der jeweilige Innenwiderstand
von V2 und V5 bildet den Arbeitswiderstand für die zweite Entzerrerstufe, die
eine Zeitkonstante von 75 Mikrosekunden aufweist. Erneut galvanisch wird
das Signal in den Impedanztransformator V4-T7 und V6-T8 gekoppelt und kapazitiv
ausgekoppelt.





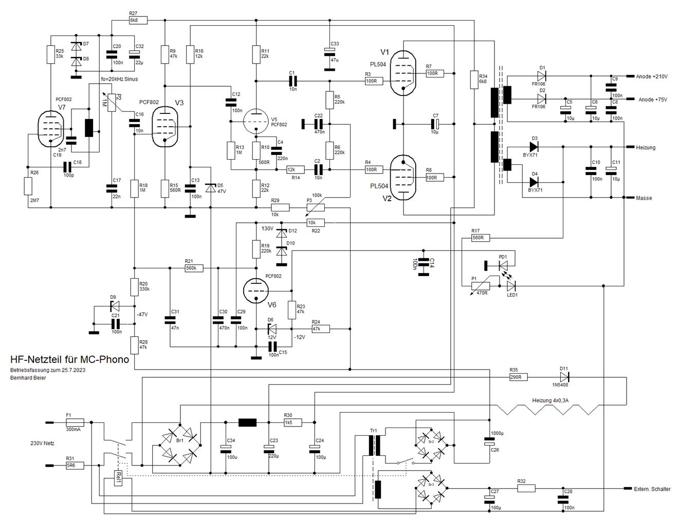
Das Netzteil

Abmessungen: 18x17x16
Röhren: PCF802, PCF802, PL504, PL504
Schaltung
Um vollständige
Brummfreiheit zu erreichen, fiel die Entscheidung auf ein Oszillatornetzteil
zur Herstellung aller Betriebsspannungen des Vorverstärkers. Seine
Arbeitsfrequenz beträgt 20kHz und wird durch einen Sinusoszillator hergestellt.
Die Regelung ist auf den Heizspannungsausgang bezogen und erfolgt über einen
Optokoppler, den Gleichspannungsregelverstärker V6 und die Verstärkerstufe V3. Der
Arbeitspunkt der Endstufe ist fest eingestellt. Die Amplitude der
Steuerspannung wird vermittels der Regelschaltung durch die Belastung des
Ausgangs bestimmt. Bei geringer Belastung werden lediglich die Kuppen der
Sinusfunktion an der Endstufenkennlinie wirksam, bei Volllast die gesamte
Halbwelle. Die Gleichrichtung erfolgt bei der Heizspannung durch eine
Vollwegschaltung, bei den Anodenspannungen im Einweg. Die empfindlich auf den
Verstärker sich auswirkende Heizspannung weist damit eine Welligkeitsfrequenz
von 40kHz auf. Die galvanische Trennung von Netz und Ausgang erfolgt im
Ausgangsübertrager.
